Mer än 7500 artiklar i lager klara för leverans
Din partner inom astronomi
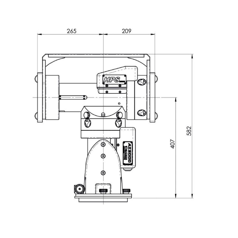
Monteringar och tillbehör > Monteringar > Azimutal med GoTo > 10Micron > AZ HPS > 10Micron Montering AZ 2000 HPS Combi DT

Beskrivning av artikel

AZ2000 HPS Combi är en vidareutveckling av den tidigare AZ2000 HPS. Det är en montering som bygger på mekaniken i GM2000 HPS. AZ2000 HPS Combi är en mycket mångsidig montering för forskningsändamål, perfekt lämpad för satellitspårning, fotometriska och astrometriska mätningar, LiDaR-lasertillämpningar och mycket mer.

AZ2000 "COMBI" är delbar i två delar med ytterligare ett låssystem; förutom snabblåset, som är mycket användbart för att bära och montera monteringen på plats, finns det nu ytterligare ett låssystem. Detta är avsett för kunder som har installerat monteringen permanent i ett observatorier och ger stor stabilitet på lång sikt.

Du kan när som helst konvertera tillbaka monteringen till en bärbar ("delbar") version genom att helt enkelt ta bort låsskruvarna.

Teleskopet är kompatibelt med alla plattor i GM2000-serien, inklusive dubbelmonteringen Loduel och Maxidual. På så sätt är det även möjligt att använda fyra optiker direkt, två på varje sida. Dubbelmonteringssatsen har utvecklats för stor stabilitet och styvhet och är tillverkad av höghållfast aluminiumlegering.

  • Azimutal montering, för professionella krav,
  • 10micron HPS-teknik med absoluta pulsgivare på båda axlarna och kraftfulla motorstyrningar,
  • System för användning med två optiker (nyttolast 50 kg + 35 kg).
  • På grund av den azimutala designen krävs en bildfältsrotator för astrofotografering. Med en bildfältsrotator (t.ex. från PlaneWave IR90 eller Gemini Optec) är "klassisk" astrofotografering också möjlig med den vanliga precisionen på 10 mikrometer.

Uppgradering: 10micron kontrollbox

10Micron har reviderat hårdvaran i den elektroniska kontrollboxen. Från och med nu kommer alla 10Micron monteringar att levereras med den nya kontrollboxen version 3 som standard.

Viktiga nya funktioner i kontrollboxen V3:

  • Kraftfullt moderkort - Ny AM Arms-baserad processor för högre prestanda och framtidssäkring.
  • Högkvalitativa industrikontakter - Alla kraft- och dataanslutningar är utrustade med högkvalitativa kontakter från Tyskland och ger förbättrat skydd mot fukt, damm och miljöpåverkan.
  • Förbättrade anslutningsmöjligheter - En särskild anslutning för en extern WiFi-antenn optimerar den trådlösa kommunikationen.
  • Optimerade datagränssnitt - Nya RJ-portar för LAN, autoguider och GPS säkerställer tillförlitlig signalöverföring.
  • Exakt GPS-integration - GPS-modulen ansluts nu via ett PS2-gränssnitt (istället för RJ) och har en integrerad PPS-signal för tidsmätning med hög precision, perfekt för satellitspårning.
  • Professionellt uttag/kontakt för strömförsörjning - Den tidigare anslutningen har ersatts av en tvåpolig kontakt för 24V DC. En ny strömkabel ingår i leveransen.
  • Utökat AUX-gränssnitt - 6-polig AUX-anslutning (DIN EN 61076-2-106) - förbättrar styrningar av fjärrströmbrytare och återkoppling vid påslagning.

Nytt webbgränssnitt för alla 10Micron monteringar

Det nya kontrollgränssnittet är tillgängligt via en webbläsare - utan någon extra programvara. Monteringen visas i det lokala nätverket direkt under dess enhetsnamn.

Funktioner i det nya gränssnittet(från firmware 3.0):

  • Direkt åtkomst till användarhandbok och kommandologg
  • Nedladdning av TLE-data samt komet- och asteroiddata
  • Automatisk kontroll av firmware och enkla uppdateringar
  • Virtuell handkontroll med alla funktioner som finns på den fysiska knappsatsen
  • Kompatibel med alla webbläsare och enheter (PC, bärbara datorer, surfplattor och smartphones) och alla operativsystem

Tekniska data

Prestanda


Max belastning (kg)
50
Monteringens vikt (kg)
30
Finjustering av azimuth (°)
+/- 10
Diameter motviktsstång (mm)
40
Material snäckhjul
Brons
Material snäckaxel
Stål
Ingångsspänning
24
Typ av motor
Servomotor
Positionsnoggrannhet
< 20
Guidningsnoggrannhet
1 (~ 0,7" RMS)
Gränssnitt
RS-232, GPS Port, ST-4, Ethernet
Drifttemperatur
(-15) - (+35)
Typ av drivenhet
snigel-växellåda
Framdrivning
Kugghjul

Särskilda egenskaper


GoTo-system
ja

Utrustning


Stativ
utan stativ

Allmänt


Serie
AZ HPS
Typ
Montering
Typ av byggnad
azimutal

Produktsäkerhet

Tillverkare:

Rekommenderade tillbehör

Monteringar och tillbehör (1)

Baader OMS-Nano fjärrbrytare för 10Micron-monteringar

$ 330,00*

*Alla priser inkluderar moms, leveranskostnader tillkommer.

10Micron Montering AZ 2000 HPS Combi DT
10Micron Montering AZ 2000 HPS Combi DT
10Micron Montering AZ 2000 HPS Combi DT
10Micron Montering AZ 2000 HPS Combi DT
10Micron Montering AZ 2000 HPS Combi DT
10Micron Montering AZ 2000 HPS Combi DT
10Micron Montering AZ 2000 HPS Combi DT
10Micron Montering AZ 2000 HPS Combi DT

Kundernas åsikter

Det finns ingen kundrecension för denna produkt än.

Skriv din egen recension

Har du särskilda frågor om din beställning eller din produkt? Vänd dig då till vår kundservice!